Privatsphären-Einstellungen
Neben den essentiellen (technisch notwendigen Cookies) verwenden wir auf unserer
Webseite auch Cookies bzw. andere Technologien für Marketing- und funktionale Zwecke mit
dem Ziel, unsere Dienste bestmöglich anbieten, stetig verbessern und Werbeinhalte
entsprechend der Interessen der Nutzer anzeigen zu können. Ich bin mit dem Einsatz der
Cookies aus den zuvor genannten Kategorien einverstanden und kann meine Einwilligung
jederzeit mit Wirkung für die Zukunft widerrufen oder ändern.

 
Technik
Sie sind hier: | |
Deckenelemente
 Fragen zum Produkt ?

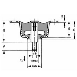
MEGI®-Deckenelement # 782 002

Megi-Deckenelemente ist ein reines Hängeelement und eignet sich besonders für die 
elastische Aufhängung von Beleuchtungskörpern, Apparaten und Rohrleitungen an Decken. 
Eine Abreißsicherung ist eingebaut.

Die Bauweise des Megi-Deckenelements ermöglicht es, auch Stoß und Beschleunigungskräfte 
an aufgehängten Teilen weich aufzunehmen. Es sichert die aufgehängten Teile auch bei 
stärkster Schockbeanspruchung durch den einvulkanisierten Riegel.

Besondere Eigenschaften
- Abreißsicher
- Auf Zug belastbar

Einsatzbeispiele
- Lagerung von Rohrleitungen, Beleuchtungskörpern und Deckenabhängungen.

Mögliche Belastungsarten/-richtungen
- Zug

Statische Belastungsgrenzen
- 280 N

Hinweise
- Festigkeitsklasse der zentralen Verschraubung: 5.
- Andere Festigkeitsklasse auf Anfrage.

 
Artikelnr.BreiteLänge mmHöheHärteForm-Nr.FabrikatShore Härte  
25100117327238 + 15weich782 002MEGI45 Shore 
25100118327238 + 15mittel782 002MEGI60 Shore 

Zurück

ISO ZertifikatReinshagen Technik GmbH & Co. KG

Kilianstraße 150
90425 Nürnberg

Tel. 0911 36107-0
Fax 0911 36107-20
info@reinshagen.de
Mo bis Do:7:30 - 16:30 Uhr
Fr:7:30 - 14:15 Uhr
AGB
Kontakt
Impressum
Datenschutz
ISO Zertifikat
Reinshagen Technik GmbH & Co. KG

Kilianstraße 150
90425 Nürnberg


Tel. 0911 36107-0
Fax 0911 36107-20
info@reinshagen.de

Mo bis Do:7:30 - 16:30 Uhr
Fr:7:30 - 14:15 Uhr

AGB
Kontakt
Impressum
Datenschutz

ISO Zertifikat

ISO Zertifikat