Privatsphären-Einstellungen
Neben den essentiellen (technisch notwendigen Cookies) verwenden wir auf unserer
Webseite auch Cookies bzw. andere Technologien für Marketing- und funktionale Zwecke mit
dem Ziel, unsere Dienste bestmöglich anbieten, stetig verbessern und Werbeinhalte
entsprechend der Interessen der Nutzer anzeigen zu können. Ich bin mit dem Einsatz der
Cookies aus den zuvor genannten Kategorien einverstanden und kann meine Einwilligung
jederzeit mit Wirkung für die Zukunft widerrufen oder ändern.

 
Technik
Sie sind hier: | |
Anschlag-Puffer
 Fragen zum Produkt ?

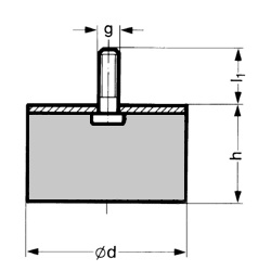
GM-Anschlagpuffer Ausführung 400 - Typ D

Ausführung:  eine Seite mit Gewindebolzen
Werkstoff:  NR (Naturkautschuk)

Besondere Eigenschaften - Einfache, preiswerte Standardelemente - Einfache Befestigung Einsatzbeispiele - Lagerung von leichten bis mittelschweren Aggregaten, E- und Verbrennungsmotoren, Kompressoren, Pumpen, Rüttel- und Vibrationsmaschinen Mögliche Belastungsarten/-richtungen - Druck - Schub - Zusammengesetzte Beanspruchungen Statische Belastungsgrenzen - Druck: 50 kN Hinweise - Festigkeitsklasse der Verschraubung: 5. - Andere Festigkeitsklasse auf Anfrage. - Keine Zugbeanspruchung des Elastomers zulässig.
 
Artikelnr.AusführungØd
mm
h
mm
l1
mm
GewindeHärteForm-Nr.  
2504001518.7,5.400187,516M6mittel781 043 
2504001620.13,5.4002013,516M6mittel781 053 
2504002430.17.400301721M8mittel781 073 
2504002150.21.400502126,5M10mittel781 093 
2504001975.25.400752539M12mittel781 103 
25040018100.40.4001004044M16mittel781 113 

Zurück

ISO ZertifikatReinshagen Technik GmbH & Co. KG

Kilianstraße 150
90425 Nürnberg

Tel. 0911 36107-0
Fax 0911 36107-20
info@reinshagen.de
Mo bis Do:7:30 - 16:30 Uhr
Fr:7:30 - 14:15 Uhr
AGB
Kontakt
Impressum
Datenschutz
ISO Zertifikat
Reinshagen Technik GmbH & Co. KG

Kilianstraße 150
90425 Nürnberg


Tel. 0911 36107-0
Fax 0911 36107-20
info@reinshagen.de

Mo bis Do:7:30 - 16:30 Uhr
Fr:7:30 - 14:15 Uhr

AGB
Kontakt
Impressum
Datenschutz

ISO Zertifikat

ISO Zertifikat